Dolu

Převodník RS232 TTL 3V <-> IR

Pro možnost komunikace počítače se zařízeními přes infra rozhraní protokolem RS232, jsem si poskládal sestavu:

 

Modul rozhraní  USB<->RS232 TTL 3V

Použil jsem prodávaný modul PL2303 , který má vyvedeno napájení 3V i 5V a RX, TX data na 3V.

 

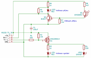
Modul rozhraní RS232 TTL 3V <-> IR

Sestavil jsem si modul RS232 rozhraní TTL 3V na Infra, napájené 3V z připojeného USB modulu.